首页
产品展示
齿条
其他零部件
铝型材配件
工业用铝型材
设备加工
关于我们
联系我们
English
专心研究,精心制作,谋求高品质发展
Your trusted partner in precision rack manufacturing
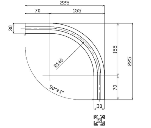
圆弧型铝型材
提交产品意向单
产品详情
热门产品
树脂方齿条
304钢圆齿条
304钢方齿条
45钢发黑圆齿条
圆弧型铝型材-意向单
联系人
联系电话
备注
©
常州鼎涛精工科技有限公司
版权所有
在线客服
电话:
0519-83900887
邮箱:
dingtao@czdingtao.com
微信:
0519-83900887
微信号已复制
我知道了